Twiitit
- Twiitit, nykyinen sivu.
- Twiitit ja vastaukset
- Media
Olet estänyt käyttäjän @tmgco
Haluatko varmasti nähdä nämä twiitit? Twiittien näyttäminen ei poista käyttäjän @tmgco estoa.
-
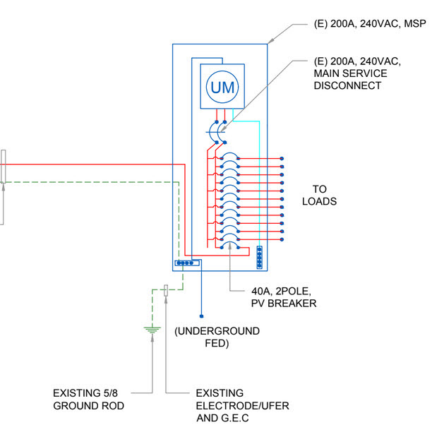
Extract from the circuit diagram in one of our solar power installation drawing sets
#solarpower#solarpv design#solarpowerdesign#solarpowerdrafting#solarpaneldesign#solarpanelengineering#solarinverterpic.twitter.com/wg5YFfwZvp
Kiitos. Käytämme tätä aikajanasi parantamiseen. KumoaKumoa -
A sample from The Magnum Group's steel detailing team. Click the link in bio to know more ---
#steelfabrication#steelfabricator#steelfabricators#structuralsteeldetailing#steeldetailing#steeldetailer#steeldetailers#steelstructure#steelstructuredesignpic.twitter.com/PfFPej8uQp
Kiitos. Käytämme tätä aikajanasi parantamiseen. KumoaKumoa -
"Along with SunPower’s moves to shore up its finances, Sungevity recently laid off about 400 employees, and Sunrun — the national leader in residential installations — let go at least 100 employees."http://ow.ly/cR1m50Dq1t5
Kiitos. Käytämme tätä aikajanasi parantamiseen. KumoaKumoa -
Kiitos. Käytämme tätä aikajanasi parantamiseen. KumoaKumoa
-
Kiitos. Käytämme tätä aikajanasi parantamiseen. KumoaKumoa
-
The carrot farmer's dream!
#farming#farminglife#farmingpics#farmingphotographydaily#farmingphotography#farming_corner#agriculturelife#agriculture_global#agricultureworldwidepic.twitter.com/NWl9BLNSv2Näytä tämä ketjuKiitos. Käytämme tätä aikajanasi parantamiseen. KumoaKumoa -
New software to connect Revit with VR Headset + Motion Platform combo
#revit#VR#tmghttps://themagnumgroup.net/Blog/new-software-for-vr-motion-platforms/ …Kiitos. Käytämme tätä aikajanasi parantamiseen. KumoaKumoa -
Just set up a new advertising campaign for our steel detailing service. Wish us luck!
#steeldetailing#steeldrawings#engineeringKiitos. Käytämme tätä aikajanasi parantamiseen. KumoaKumoa -
#steeldetailing Detailing often reveals inconsistencies in structural designs. It's almost like structural QC!Kiitos. Käytämme tätä aikajanasi parantamiseen. KumoaKumoa -
#steeldetailing Just starting on a detailing project for a massive home built with a steel frame. Wondering if such homes are common??Kiitos. Käytämme tätä aikajanasi parantamiseen. KumoaKumoa -
Makerbot shows off new composite filament for limestone, wood and metal objectshttp://bit.ly/1IDRslU
Kiitos. Käytämme tätä aikajanasi parantamiseen. KumoaKumoa -
Large-scale solar is dead. Long live large-scale solar!: http://bit.ly/1pjGRu6
Kiitos. Käytämme tätä aikajanasi parantamiseen. KumoaKumoa -
Executive interview: Google's big data journey: http://bit.ly/1eeoUYi
Kiitos. Käytämme tätä aikajanasi parantamiseen. KumoaKumoa -
Solar Power Installers: Look at the latest ranking of top solar panel suppliers:http://bit.ly/1R1Yxml
Kiitos. Käytämme tätä aikajanasi parantamiseen. KumoaKumoa -
You may need a 3D printed prosthetic one day. Look at these: http://bit.ly/1cEHG3M
Kiitos. Käytämme tätä aikajanasi parantamiseen. KumoaKumoa -
Solar Costs Keep Falling, Fossil Fuel Costs Keep Rising: http://bit.ly/1q3PSaD
Kiitos. Käytämme tätä aikajanasi parantamiseen. KumoaKumoa -
India's ambitious renewable energy target now seems achievable:http://bit.ly/1fvUbWt
Kiitos. Käytämme tätä aikajanasi parantamiseen. KumoaKumoa -
Solar Panels Have 'Soft' Costs, New DOE Podcast Says: http://bit.ly/24NBNvo
Kiitos. Käytämme tätä aikajanasi parantamiseen. KumoaKumoa -
3D Printing Brings "Curved" Legos into Existence: http://bit.ly/1z8Jwbj . Email us to make your 3D models!
Kiitos. Käytämme tätä aikajanasi parantamiseen. KumoaKumoa -
CAD Services: CAD programs can now print food to eat, http://bit.ly/10XQpIb
Kiitos. Käytämme tätä aikajanasi parantamiseen. KumoaKumoa
Lataaminen näyttää kestävän hetken.
Twitter saattaa olla ruuhkautunut tai ongelma on muuten hetkellinen. Yritä uudelleen tai käy Twitterin tilasivulla saadaksesi lisätietoja.